Many times we will require the diesel generator set to have a self-starting function. The following is a detailed introduction to the self-starting system of the diesel generator set:
What should I do if the diesel generator fails to start after the mains phase is missing in the unattended diesel generator set? Below we list an example of a fully automatic diesel generator set with 304kW Perkins, which can realize automatic conversion between mains and oil generators. We analyze the ATS (automatic transfer switch) control panel circuit (see Figure 1), when the mains power failure or failure, when the ATS control system detects the mains power failure or fault signal, the control system drives the control motor to switch the load contact When it is assigned to the zero gear, a start command is sent to the unit through the normally closed contact of the K2 relay (closed after power failure). It can be seen from the working principle that the start command of the unit is transmitted through the circuit formed by the normally closed contact of the K2 relay. If the mains phase is missing, assuming it is C1 or A1 phase, the K2 relay will not lose power. Although the ATS control system drives and controls the motor to assign the load contact to the zero gear, the start command cannot be transmitted to the unit, and the unit cannot be started. After inquiring to the manufacturer, we learned that this unit is an old model and does not have the function of self-starting when the mains phase is missing.

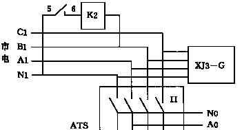
From the above analysis, it can be seen that the key to solving the problem that the unit cannot realize the self-start after the mains phase is missing is how to solve the problem of the K2 relay. After research, it is decided to use the more commonly used phase failure and phase sequence protection relays to solve the problem. The modified ATS circuit is shown in Figure 2. XJ3-G in the figure is the protection relay for phase failure and phase sequence, and 5-6 are normally open contacts (disconnected after power failure). After the transformation, the working principle of ATS is that when the mains is normal, the normally open contacts 5-6 of the XJ3-G relay are closed, so as to ensure that the K2 relay has electricity; when the mains power failure or phase loss, the XJ3-G relay will act. , disconnect the normally open contacts 5-6, and then make the K2 relay lose power and disconnect, so as to ensure that the unit receives the start command and starts normally.
